傳感器在電力設備環境中運行,往往面臨復雜的電磁環境,電磁兼容(EMC)問題尤為突出,
主要體現在電磁干擾對傳感器性能的影響以及傳感器自身電磁輻射對系統的干擾,
進而影響其測量精度、數據傳輸可靠性及設備安全性。
電力現場干擾主要包括以下情況:
高壓開關操作、變壓器勵磁涌流、電弧放電等過程產生的強烈電磁場、快速瞬態過電壓和電暈放電;斷路器、隔離開關動作產生的瞬態過電壓(可達幾百kV)和陡脈沖;
高壓設備表面電場集中區域(如絕緣子、導線連接處)的局部放電,產生的高頻噪聲(MHz~GHz范圍);變頻器、SVG等產生的諧波及開關噪聲;
直接雷擊或感應雷產生的瞬態電磁場(可達數十kA/μs的電流變化率);附近通信基站、廣播發射臺的射頻輻射(如150kHz~30MHz頻段);
人員操作或設備摩擦產生的靜電脈沖(電壓可達15kV);數字電路的開關噪聲、電源紋波等。
具體可歸納為:射頻輻射電磁場干擾、工頻磁場干擾、靜電放電干擾、電快速瞬變脈沖群干擾、浪涌干擾、射頻場感應傳導騷擾和電壓暫降/短時中斷。
這些電磁干擾相互疊加,通過傳導或空間輻射耦合至傳感器,導致測量值偏差、靈敏度降低、分辨率下降、數據包丟失或誤碼率上升、甚至損壞;
保護和控制系統中,傳感器誤報可能導致斷路器誤跳閘或設備誤啟動,進而危及系統安全。
射頻輻射電磁場干擾和工頻磁場干擾屬于空間輻射耦合干擾。空間輻射耦合干擾會導致模擬電路出現互調和解調效應,使信號失真,噪聲水平上升,
從而降低模擬信號的精度和穩定性;與電路中的導線產生耦合效應,導致元件性能波動,進一步影響模擬電路的性能;引發高速數字電路誤動作,
導致數據損壞;對高速數字電路中的時鐘信號造成干擾,導致信號幅度改變和相位變化,進而影響電路的同步和穩定性;
影響無線電路的信號接收和發送,導致通信質量下降。
宏博方案:
宏博測控傳感器在模擬電路、高速數字電路和無線電路上加裝屏蔽罩、使用金屬外殼或外殼內噴涂屏蔽涂料,并通過良好接地減少空間輻射干擾;
根據現場環境改進算法程序,以減少干擾的影響;
靜電無處不在。其原理在于,摩擦和電磁波在物體上都會產生電荷的積累,電荷得不到釋放積累到一定程度就會產生靜電或電磁干擾,
靜電就會向周圍不等電位物體放電;靜電放電可能擊穿電子元件,從而損壞設備;
宏博方案:
由于靜電需要電荷積累、電壓高和電流小的屬性,宏博測控減少靜電影響的方法為生產人員佩戴靜電手環、金屬件接地和電源/信號添加TVS/ESD器件;
(1)干燥天氣人身上由于電荷不能很好釋放容易產生靜電,電路上不能每個地方都添加TVS/ESD器件,生產人員佩戴靜電手環能有效地減少生產中靜電造成的電路損壞;

無線防靜電手環(素材來源網絡)
(2)外露的金屬件、金屬外殼和內部屏蔽罩接地能有效減少外部靜電和這些金屬件上電荷積累產生的干擾;

外殼接地圖示(素材來源網絡)

外殼接地圖示(素材來源網絡)
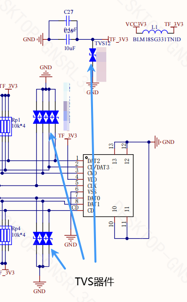
(3)在外露端子和電源處加TVS/ESD器件,能有效減少生產和使用中靜電的干擾;

TVS器件(素材來源網絡)

TVS器件(素材來源網絡)


電源EMC電路圖
電快速瞬變脈沖群干擾、浪涌干擾和射頻場感應傳導騷擾屬于傳導到電源線和信號線上的干擾。
宏博方案:
宏博測控減少這些干擾的方法為Π型濾波、LC濾波、壓敏電阻、自恢復保險、TVS管、氣體放電管和共模電感的配合;實際要根據現場的應用;